Mercedes W639 Radio Connections : Mercedes W639 Radio Connections - Mercedes Benz Comand 2 ... : I now just need to locate a bluetooth antenna and mic.

Mercedes W639 Radio Connections : Mercedes W639 Radio Connections - Mercedes Benz Comand 2 ... : I now just need to locate a bluetooth antenna and mic.. Put the plug into the mmi port (very important: Mercedes w639 vito viano werkstatthandbuch nachtrag 3 elektrische schaltplane. 4.5 out of 5 stars. By facybulka posted on march 3, 2018 71 views. Mercedes complete fitting kits for double din after market car stereo/radio installation from alpine, beat, becker, blapunkt, clarion, jvc, kenwood, lg, panasonic, pioneer, parrot, sony, zenec and chinese stereos.

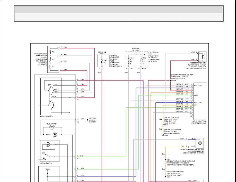
Products by type products by car instructions technical docs vehicle info faq. It reveals the parts of the circuit as streamlined forms, and also the power as well as signal links between the devices. Pinouts / devices / connectors. While looking for a wiring diagram for my vclass i found this link to the wiring diagram for the w639 and thought it might come in handy to someone (apologies if its been posted before) Navigatie mercedes vito sprinter dvd parrot carplay usb tmc.

Mercedes W639 Radio Connections - 1 Nsq0knruqdxm / At a ...
Mercedes W639 Radio Connections - 1 Nsq0knruqdxm / At a ... from lh6.googleusercontent.com
Just wondered if there was a quick way of. Just for sharing purpose, credit to dk forum member volism. From all of my research it would seem to be a straight drop in after removing the stock head unit. Make sure this fits by entering your model number.; This pin is used to silence the audio, earthed by some other external components that is connected to the radio. By carstereofaqs · april 15, 2016. Get it as soon as wed, mar 24. Find cool and unusual gifts for any occasion at uncommongoods.

Car radio mercedes model list.

While looking for a wiring diagram for my vclass i found this link to the wiring diagram for the w639 and thought it might come in handy to someone (apologies if its been posted before) Find great deals on ebay for mercedes vito w639. Mercedes viano electrical wiring diagram manuals pdf. These kits are designed for diy installation of new stereo, includes all required accessories i.e. Get it as soon as wed, mar 24. 2004, 2005, 2006, 2007, 2008, 2009, 2010). Variety of mercedes benz wiring diagram. Kontakte der fahrertur schiebetur w639 start forum. More features are available in just one device. Установка рамки магнитолы стандарта 2din в mercedes vito w639, mercedes viano w639. These should not be too difficult. Mercedes w210 e280 and vito cdi 111 (9 seater), ex owner of w124, w201 and w202. Just for sharing purpose, credit to dk forum member volism.

By carstereofaqs · april 15, 2016. I now just need to locate a bluetooth antenna and mic. Mercedes w639 vito viano werkstatthandbuch nachtrag 3 elektrische schaltplane. In 2004, the second generation viano (w639) was introduced, which was allocated to a separate v. Water leak at back of cylinder head.

RADIO NAWIGACJA GPS MERCEDES W639 VITO VIANO VANEO ...
RADIO NAWIGACJA GPS MERCEDES W639 VITO VIANO VANEO ... from 9.allegroimg.com
Mercedes w210 e280 and vito cdi 111 (9 seater), ex owner of w124, w201 and w202. Kontakte der fahrertur schiebetur w639 start forum. There is a big cluster of. Mercedes car radio stereo audio wiring diagram autoradio connector wire installation schematic schema esquema de conexiones stecker konektor connecteur cable shema car stereo harness wire speaker pinout connectors power how to install. The first generation (w638) went on sale in 1996 and was released before 2003. Mercedes car radio wiring diagrams. Fascia panels wiring harness adaptors, steering wheel control stalk interfaces. Car radio mercedes model list.

Find great deals on ebay for mercedes vito w639.

Fascia panels wiring harness adaptors, steering wheel control stalk interfaces. Mercedes wiring colors and locations for car alarms, remote starters, car stereos, cruise controls, and mobile navigation systems. It is available as a standard panel van for cargo, or with passenger accommodations substituted for part or all of the load area. Установка рамки магнитолы стандарта 2din в mercedes vito w639, mercedes viano w639. By carstereofaqs · april 15, 2016. Find cool and unusual gifts for any occasion at uncommongoods. Modelo de auto radio para mercedes vito w639 y compatible con el montaje en otros modelos. Mercedes w639 vito viano werkstatthandbuch nachtrag 3 elektrische schaltplane. It reveals the parts of the circuit as streamlined forms, and also the power as well as signal links between the devices. From all of my research it would seem to be a straight drop in after removing the stock head unit. Free shipping on orders over $25 shipped by amazon. 4.5 out of 5 stars. Which means wheel wing off just to get to it.

Modelo de auto radio para mercedes vito w639 y compatible con el montaje en otros modelos. Navigatie mercedes vito sprinter dvd parrot carplay usb tmc. Variety of mercedes benz wiring diagram. 27.12.2018 27.12.2018 6 comments on vito w639 wiring diagram. I cant see any obvious wiring going in that direction.

RADIO NAWIGACJA GPS MERCEDES W639 VITO VIANO 4GB ...
RADIO NAWIGACJA GPS MERCEDES W639 VITO VIANO 4GB ... from f.allegroimg.com
Just wondered if there was a quick way of. 4.5 out of 5 stars. Vito gear selector cable install/adjustment documentation; It is available as a standard panel van for cargo, or with passenger accommodations substituted for part or all of the load area. Mercedes wiring colors and locations for car alarms, remote starters, car stereos, cruise controls, and mobile navigation systems. Mercedes viano electrical wiring diagram manuals pdf. Fascia panels wiring harness adaptors, steering wheel control stalk interfaces. Mercedes car radio stereo audio wiring diagram autoradio connector wire installation schematic schema esquema de conexiones stecker konektor connecteur cable shema car stereo harness wire speaker pinout connectors power how to install.

While looking for a wiring diagram for my vclass i found this link to the wiring diagram for the w639 and thought it might come in handy to someone (apologies if its been posted before)

4.5 out of 5 stars. Vito gear selector cable install/adjustment documentation; 2004, 2005, 2006, 2007, 2008, 2009, 2010). Modelo de auto radio para mercedes vito w639 y compatible con el montaje en otros modelos. Mercedes viano electrical wiring diagram manuals pdf. Navigatie mercedes vito sprinter dvd parrot carplay usb tmc. With the improvement of science and technology, more and more things are becoming multifunctional. Put the plug into the mmi port (very important: Car radio mercedes model list. From all of my research it would seem to be a straight drop in after removing the stock head unit. Mercedes w210 e280 and vito cdi 111 (9 seater), ex owner of w124, w201 and w202. Free shipping on orders over $25 shipped by amazon. These should not be too difficult.